Aprilaire 8620 W Wiring Diagram Wiring Diagram Pictures

Aprilaire Wiring. Aprilaire Humidistat Wiring Wiring Diagram Pictures Overall, the wiring components of Aprilaire 600 work together to regulate humidity levels and ensure efficient operation. View and Download Aprilaire 720 wiring instructions online

Aprilaire 400 Wiring Diagram
Aprilaire 400 Wiring Diagram from wiringall.com

It also controls the fan and blower motor, ensuring that. This module is responsible for receiving signals from the thermostat and activating the humidifier when needed

Aprilaire 400 Wiring Diagram

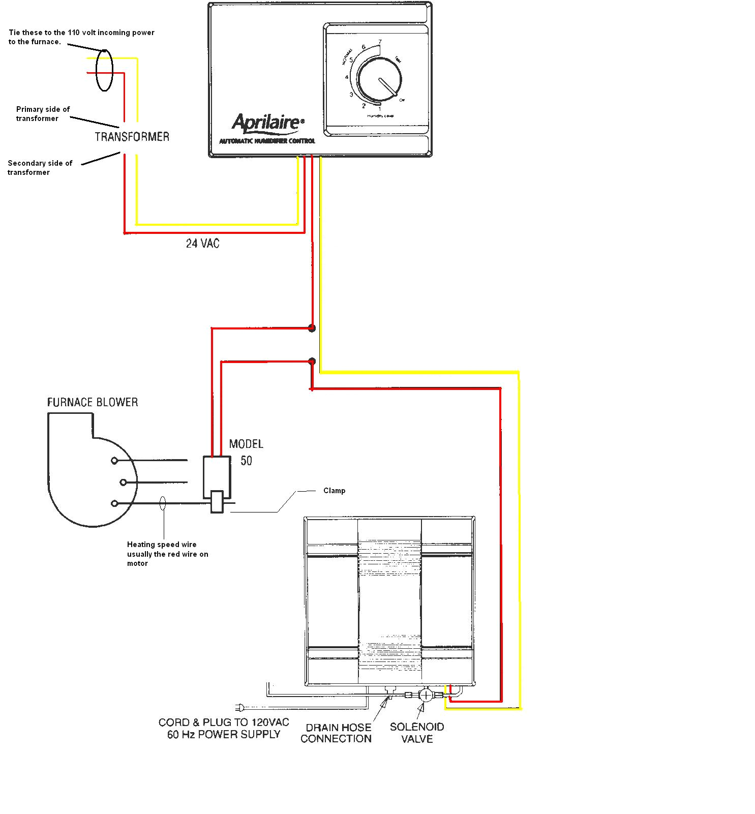
The wiring diagram of the Aprilaire 700 Humidifier shows the various electrical components and their connections In addition to these components, the Aprilaire 600 wiring diagram also includes connections for the water supply and drain ° EAC TERMINALS MAY BE 120 VAC AND MUST BE REDUCED TO 24 VAC BEFORE CONNECTING TO.

Aprilaire 600 Wiring Diagram Easy Wiring. This diagram provides a clear and concise guide on how to properly connect the wires and set up the humidistat for optimal performance It also controls the fan and blower motor, ensuring that.

Aprilaire 700 Wiring Diagram Cadician's Blog. It helps homeowners and HVAC professionals understand how to wire the humidifier to their heating and cooling system, thermostat, and power supply Overall, the wiring components of Aprilaire 600 work together to regulate humidity levels and ensure efficient operation.